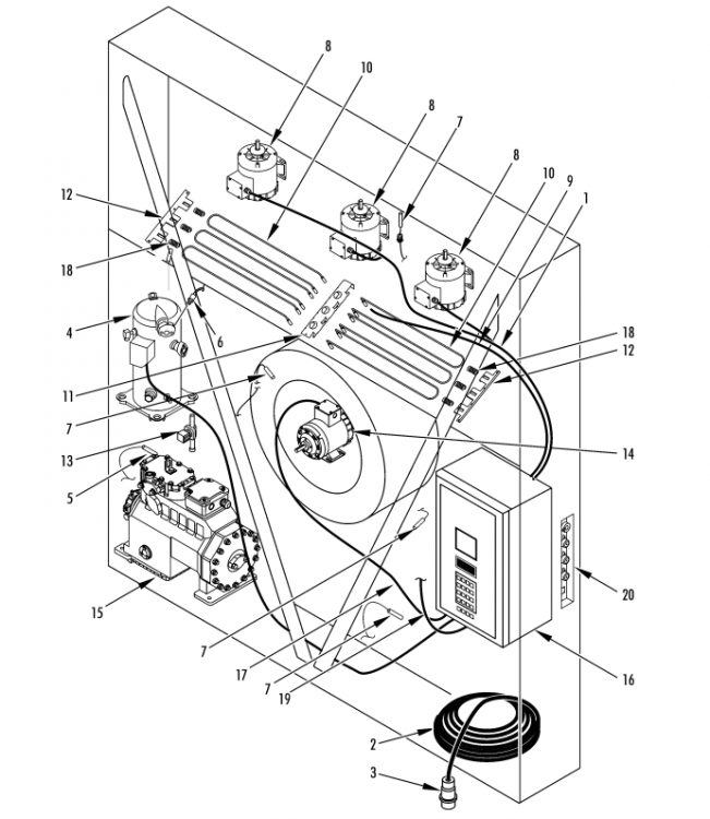
| REF | PART NO. | DESCRIPTION | QTY |
| 1 | 41-9595 | HARNESS – evaporator motor | 1 |
| 2 | 41-8357 | CABLE – power | 1 |
| 3 | 41-1976 | PLUG – power (Minnekes) | 1 |
| 3 | 44-9890 | TERMINAL – pin | 4 |
| 4 | 102-796 | COMPRESSOR – scroll (R23, see 247E3) | 1 |
| 5 | 41-4300 | SENSOR – compressor | 2 |
| 6 | 41-6224 | SWITCH – hpco | 1 |
| 7 | 41-3337 | SENSOR – defrost, return & supply | 3 |
| 8 | 104-691 | MOTOR – evaporator fan | 3 |
| 9 | 41-2489 | HARNESS – heater | 1 |
| 10 | 45-1791 | HEATER | 12 |
| 11 | 509-1783 | BRACKET – heater | 1 |
| 12 | 91-8467 | BRACKET – heater | 2 |
| 12 | 55-8891 | SCREW – bracket | 11 |
| 13 | 66-9167 | VALVE – solenoid see 247D4) | 1 |
| 14 | 10-4759 | MOTOR – condenser fan (see 235E8) | 1 |
| 15 | 8102-743 | COMPRESSOR (see 172H0) | 1 |
| 16 | NSS | BOX – control (see 247D0) | 1 |
| 16 | 55-7172 | SCREW – control box | 4 |
| 16 | 55-8893 | WASHER | 4 |
| 16 | 55-8992 | WASHER (nylon) | 4 |
| 17 | 41-2953 | HARNESS – condenser fan | 1 |
| 18 | 91-8140 | SPRING – heater | 12 |
| 19 | 40-782 | HARNESS – compressor | 1 |
| 20 | 41-3336 | PANEL – USDA (see 157H2) | 1 |
235E8
247D5
157H2
150B14We are committed to excellence in customer satisfaction.
© 2024 TK Reefer. All rights reserved.