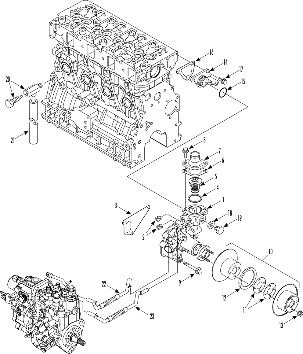
| REF | PART NO. | DESCRIPTION | QTY |
| 1 | 132268 | PUMP – coolant (ELC compatible) | 1 |
| 2 | 510607 | * PLUG | 2 |
| 3 | 333096 | ** GASKET – water pump | 1 |
| 3 | 300295 | GASKET SET (inc items 3, 4, 6, 16) | 1 |
| 4 | 332768 | GASKET | 1 |
| 5 | 130385 | THERMOSTAT (160 F, 71 C) | 1 |
| 6 | 332767 | GASKET | 1 |
| 7 | 118675 | COVER – thermostat | 1 |
| 8 | 556188TKA | SCREW – thermostat | 2 |
| 9 | 556248 | SCREW – pump | 3 |
| 10 | 130358 | PULLEY – water pump | 1 |
| 11 | 773220 | * SHIM (1 mm) | A/R |
| 11 | 772752 | * SHIM (0.5 mm) | A/R |
| 12 | 771428 | * SPACER | 1 |
| 13 | 555792 | NUT | 4 |
| 14 | 130815 | JOINT – pump | 1 |
| 15 | 333098 | * O-RING – joint | 1 |
| 16 | 333097 | GASKET – joint | 1 |
| 17 | 558441 | SCREW – joint | 3 |
| 18 | 331745 | WASHER – sealing | 1 |
| 19 | 119256 | PLUG | 1 |
| 20 | 555780 | COCK – drain | 1 |
| 21 | 130360 | HOSE – drain | 1 |
| 22 | 130363 | HOSE – inj pump to water pump | 1 |
| 23 | 130514 | HOSE – inj pump to water pump | 1 |
| 23 | 510588 | CLAMP – hose | 4 |
984933
4040153
209C4
212A4We are committed to excellence in customer satisfaction.
© 2024 TK Reefer. All rights reserved.