| REF | PART NO. | DESCRIPTION | QTY |
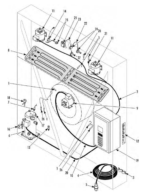
| 1 | 401044 | SENSOR – kit (defrost, ambient, air return, supply & coil) | A/R |
| 2 | 413685 | HARNESS – evaporator fan (w/ analog humidy sensor) | 1 |
| 2 | 422605 | HARNESS – evaporator fan (w/ digital humidy sensor) | 1 |
| 3 | 925546 | BRACKET – cable restraint | 1 |
| 3 | 925660 | BRACKET – power cable (10/4 cable) | 1 |
| 3 | 511445 | SCREW – bracket | 2 |
| 3 | 511446 | LOCKWASHER | 2 |
| 3 | 511441 | FLATWASHER | 2 |
| 3 | 559054 | WASHER – insulator | 2 |
| 4 | 451992 | CABLE – power (19.2 meters 11/4 with 333 plug) | 1 |
| 4 | 452143 | CABLE – power (19.2 meters 10/4 with 634 MP4 plug) | 1 |
| 4 | 452709 | CABLE – power (22.8 meters 11/4 with 634 MP4 plug) | 1 |
| 4 | 452708 | CABLE – power (19.8 meters 11/5 with 4 pin male plug) | 1 |
| 4 | 422680 | CABLE – power (3 meters 16/3 with 2 pin female plug) | 1 |
| 5 | 411976 | * PLUG – power (333, included w/ 45-1992) | 1 |
| 5 | 417153 | * PLUG – power (634 MP4, included w/ 45-2143) | 1 |
| 5 | 422664 | * PLUG – power (4 pin male, included w/ 45-2708) | 1 |
| 5 | 422681 | * PLUG – power (2 pin female, included w/ 42-2680) | 1 |
| 5 | 449891 | * TERMINAL – pin | 7 |
| 5 | 400692TKA | KIT – Cable Splice | 1 |
| 5 | 451908 | CABLE (11/4, 250 ft roll) | A/R |
| 5 | 452272 | CABLE (11/4, 1000 ft roll) | A/R |
| 6 | 1020795 | COMPRESSOR – scroll (see 259C5) | 1 |
| 7 | 421422 | SWITCH – hpco | 1 |
| 8 | NSS | HEATER GROUP (see grid 259A4) | 1 |
| 9 | 1040759 | MOTOR – condenser fan (see 235E8) | 1 |
| 10 | 412953 | HARNESS – condenser fan (see 235E8) | 1 |
| 11 | 1040691 | MOTOR – evaporator fan (see 235E9 or 247C5) | 2 |
| 12 | NSS | PANEL – USDA receptacle (see 235G4 or 247C9) | 1 |
| 13 | 416150 | TRANSDUCER – suction (200PSI, see 235E0 or 247C0) | 1 |
| 14 | 422659 | SENSOR – humidity | 1 |
| 15 | 419836 | SENSOR – humidity (RS 485, mP 4000 only, w/ 4 wireharness) | 1 |
| 15 | 420374 | CABLE – supply (RS 485) | 1 |
| 16 | 612470TKA | VALVE – vapor injection (see 235E0 or 247C0) | 1 |
| 16 | 415460 | COIL – valve | 1 |
| 17 | 401377 | KIT – thermistor | 1 |
| 18 | 617758 | VALVE – digital (see 235E0 or 247C0) | 1 |
| 18 | 417937 | * COIL (only) | 1 |
| 19 | NSS | BOX – control (see 235G2) | 1 |
| 20 | 400782 | CABLE – compressor | 1 |
| 21 | 510270 | CONNECTOR – liquid tite | 1 |
| 22 | 420373 | CABLE – connection | 1 |
| 23 | 420374 | CABLE – supply | 1 |
| 24 | 401163 | KIT, CO2/ O2 RS485 sensor | 1 |
| 25 | NSS | SENSOR – humidity (for OOCL, not supplied by Thermo King) | 1 |
| 26 | NSS | SENSOR – temperature (for OOCL, not supplied by Thermo King) | 3 |
| 27 | 421595 | SENSOR – CO2 (RS485, sensor only) | 1 |
235E9
235G4
235G6
189C4We are committed to excellence in customer satisfaction.
© 2024 TK Reefer. All rights reserved.