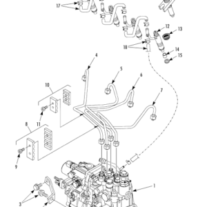
| REF | PART NO. | DESCRIPTION | QTY |
| 1 | 4040153 | ALTERNATOR | 1 |
| 2 | 553985 | * STUD – housing | 4 |
| 2 | 551800TKA | * LOCKWASHER | 4 |
| 2 | 552640 | * NUT | 4 |
| 3 | 119482 | * DISC – flex | 1 |
| 4 | 772747 | * BEARING | 1 |
| 5 | 444678 | * RECTIFIER – positive | 1 |
| 6 | 444679 | * RECTIFIER – negative | 1 |
| 6 | 550664 | * NUT – rectifier | 6 |
| 6 | 552964 | * LOCKWASHER | 6 |
| 6 | 552001 | * FLATWASHER | 6 |
| 7 | 559820 | * SPACER – fan | 6 |
| 8 | 772654 | * BLOWER | 1 |
| 9 | 558137 | * SCREW – fan | 6 |
| 9 | 557066 | * LOCKWASHER | 7 |
| 9 | 556988 | * FLATWASHER | 6 |
| 10 | 452301 | * EXCITER – stator (14 ohm) | 1 |
| 11 | 559497 | PIN – dowel | 2 |
| 12 | 558137 | SCREW – disc to flywheel | 6 |
| 12 | 557066 | LOCKWASHER | 6 |
| 12 | 556988 | FLATWASHER | 6 |
| 13 | 553539 | CONNECTOR – barb | 1 |
| 13 | 331056 | O-RING | 1 |
| 13 | 552636 | NUT | 1 |
| 14 | 985035 | HOSE – harness (cut to 26.0 inches) | A/R |
| 15 | 913439TKA | COVER – harness | 1 |
| 16 | 331420 | GASKET – cover | 1 |
| 17 | 551587 | SCREW – cover | 2 |
| 17 | 552086 | FLATWASHER | 2 |
| 17 | 551800TKA | LOCKWASHER | 2 |
12U40
236E0
115D14
987337We are committed to excellence in customer satisfaction.
© 2024 TK Reefer. All rights reserved.